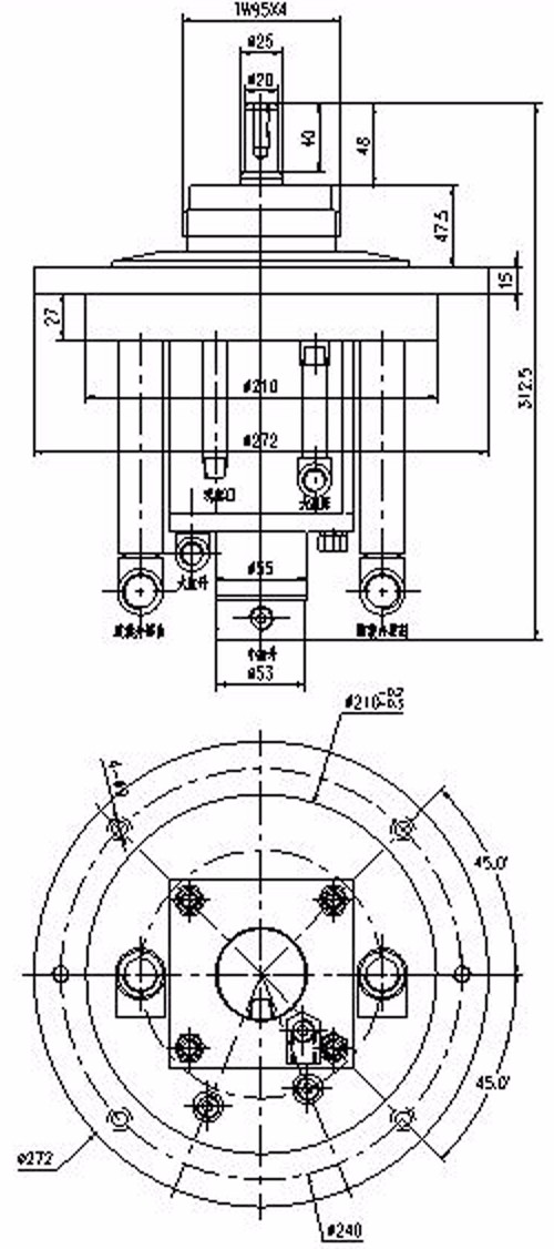
多层带顶出短行程中心机构
已有7023人浏览了本产品
上一页:63多层带顶出中心机构
下一页:没有了…
公司新闻2020-09-11
行业新闻2022-03-21
行业新闻2020-10-14
首页
产品中心
新闻资讯
拨打电话