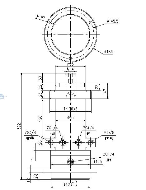
63多层带顶出中心机构
多层带顶出短行程中心机构
已有6406人浏览了本产品
特色介绍:
此中心机构可安装于与单层或多层胶囊硫化机,采用钢材质镀镍磷处理,
推荐工作介质:动力水。安装拆卸方便,带气缸顶出功能,拆换胶囊方便。采用进口优质密封圈,密封圈使用寿命长,大大提高轮胎生产效率和品质,大大减少废胎几率。
上一页:没有了…
下一页:多层带顶出短行程中心机构
相关产品
相关新闻
更多多层带顶出短行程中心机构
已有6406人浏览了本产品
特色介绍:
此中心机构可安装于与单层或多层胶囊硫化机,采用钢材质镀镍磷处理,
推荐工作介质:动力水。安装拆卸方便,带气缸顶出功能,拆换胶囊方便。采用进口优质密封圈,密封圈使用寿命长,大大提高轮胎生产效率和品质,大大减少废胎几率。
上一页:没有了…
下一页:多层带顶出短行程中心机构